全国咨询热线:
电话:
0575-80276022
首页
关于我们
产品展示
新闻中心
荣誉资质
服务承诺
选型说明
联系我们
欢迎光临绍兴市上虞思科风机有限公司官网!
关于我们
联系我们
产品展示
SKJF组合式净化风机箱
SKJF-EC数字化组合式净化风机箱
HTFC系列低噪声柜式风机
ISQ系列无蜗壳箱式离心风机
DBF系列低噪声柜式离心风机箱
HTF系列轴流式风机
HTF-W型屋顶轴流式消防排烟风机
35-11型轴流式通风机
DZ型轴流风机
CDZ型轴流风机
XBDZ型壁式轴流风机
KBZ型可变翼系列轴流式风机
DWEX边墙风机
DWEX-Ex防爆型边墙风机
SWF系列混流风机
DWT-Ⅰ型轴流式屋顶风机
DWT-Ⅱ型铝制离心式屋顶风机
DWT-Ⅲ型离心式屋顶风机
DWT-IV型无电机涡轮式屋顶式风机
GDF型离心式管道风机
DPT型静音型管道风机
YDF型诱导风机
公司:
绍兴市上虞思科风机有限公司
电话:
0575-80276022
手机:
13567541378
邮箱:
13567541378@163.com
地址:
浙江省绍兴市上虞区曹娥街道工业功能区
产品详情
首页
ꄲ
产品展示
ꁆ
ꁇ
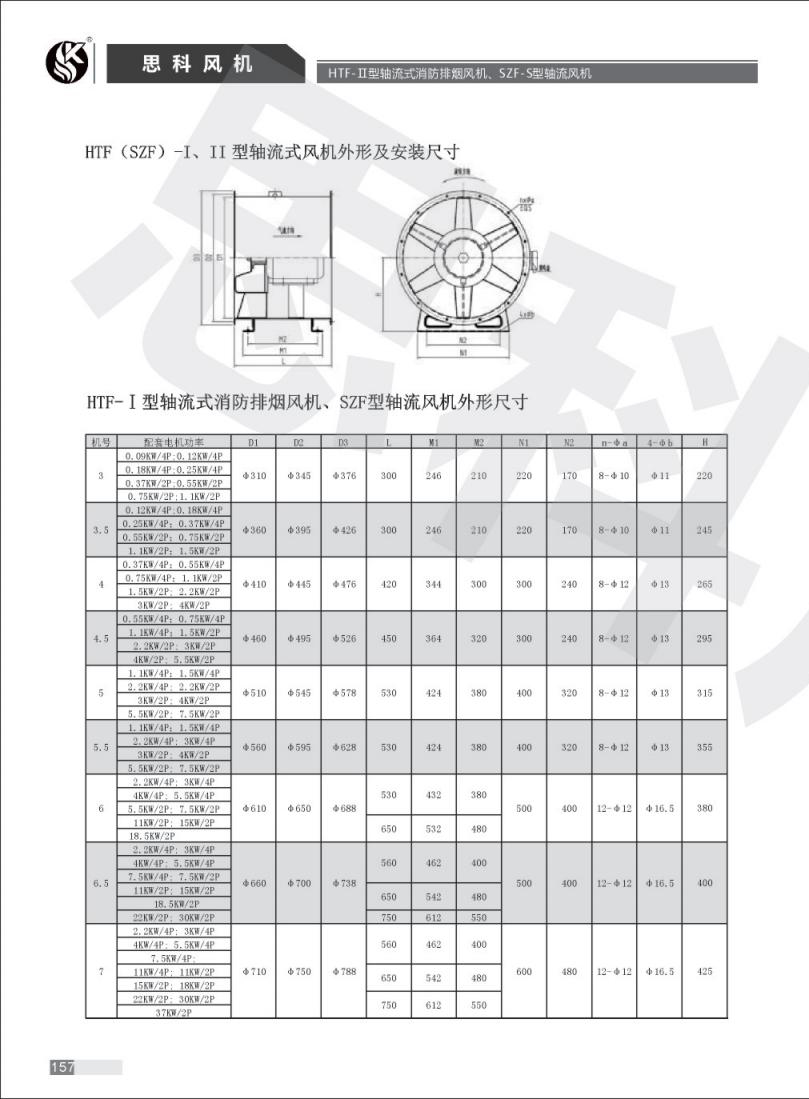
HTF-Ⅱ系列轴流式消防排烟风机
在线咨询
ꄴ
前一个:
HTF-Ⅲ系列轴流式消防
ꄲ
后一个:
HTF-Ⅰ系列轴流式消防排烟风机
联系我们
本网站由阿里云提供云计算及安全服务
本网站支持
IPv6
本网站由阿里云提供云计算及安全服务
本网站支持
IPv6
本网站由阿里云提供云计算及安全服务
本网站支持
IPv6
本网站由阿里云提供云计算及安全服务
本网站支持
IPv6